Similar Items

Compliance West LCB-4 - Leakage Current Box Config 4, Compliance to IEC 60601-1:2012

0 reviews | Catalog: 00-LCB-4 | Model: Compliance West LCB-4


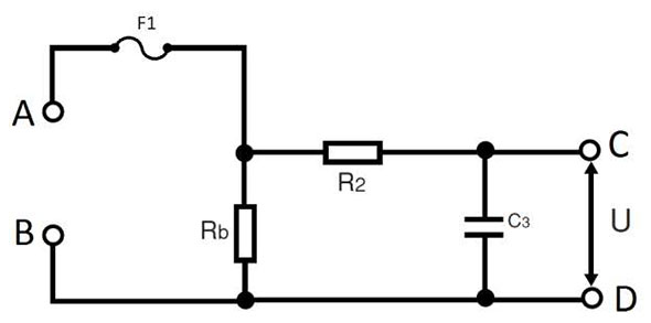
Leakage Current Network for Standard IEC 60601-1:2012

  • Provides networks for IEC 60601-1:2012
  • Portable, lightweight
  • Measures 2.40 x 1.15 x 4.45 inches
  • No batteries or power required
  • Custom test leads available
  • Provided with NIST Calibration, A2LA calibration available
  • One year warranty
*Image for reference only
View Product Details

List Price: $680.00

Your Price: $662.34

Sign-in for EDU Pricing!

In Stock:
  • View Payment Options
Product Expert

Have a question? Ask an expert.


Items in This Series


Recommended for you


FLIR - E6xt
R&S - T&M Promo
  • Add to cart

X