Similar Items

Compliance West LCB-2 - Leakage Current Box Config 2 (Perception or Reaction Touch)

0 reviews | Catalog: 00-LCB-2 | Model: Compliance West LCB-2


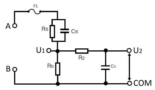
Leakage Current Box Config 2 - Compliance to: IEC 60990:1999 Fig 4, IEC 60950-1:2005 Fig D.1, IEC 61010-1:2010 Fig A.1, IEC 60335-1:2012 Cl 13.2, IEC 60065:2014 (Includes access to U1 and U2), IEC 62368:2014

  • Provides networks for IEC 61010-1:2010, IEC 60950-1:2005, IEC 60335-1: 2012 and IEC 60990:1999, IEC 60065:2014 (Includes access to U1 & U2), IEC 62368:2014
  • Portable, lightweight
  • Measures 2.40 x 1.15 x 4.45 inches
  • No batteries or power required
  • Custom test leads available
  • Provided with NIST Calibration, A2LA calibration available
  • One year warranty
*Image for reference only
View Product Details

List Price: $680.00

Your Price: $662.34

Sign-in for EDU Pricing!

In Stock:
  • View Payment Options
Product Expert

Have a question? Ask an expert.


Items in This Series


Recommended for you


FLIR - E6xt
R&S - T&M Promo
  • Add to cart

X