| Autonics PSA/PSB Series General Specifications |
| Rated pressure range |
0.0 to -101.3kPa |
0.0 to 100.0kPa |
0 to 1,000kPa |
-100.0 to 100.0kPa |
| Display pressure range |
5.0 to -101.3kPa |
-5.0 to 110.0kPa |
-50 to 1,100kPa |
-101.2 to 110.0kPa |
| Max. pressure range |
2 times of rated pressure |
2 times of rated pressure |
1.5 times of rated pressure |
2 times of rated pressure |
| Applied fluid |
Air, Non-corrosive gas |
| Power supply |
12-24VDC ±10%(Ripple P-P : Max. 10%) |
| Current consumption |
Max. 50mA |
| Control output |
NPN or PNP open collector output
- Load voltage: Max. 30VDC
- Load current: Max. 100mA
- Residual voltage - NPN: Max. 1V
- Residual voltage - PNP: Max. 2V
|
| Hysteresis*2 |
1digit fixed(2digits for psi unit) |
2digit fixed |
| Repeat error |
±0.2% F.S. ±1digit |
±0.2% F.S. ±2digit |
| Response time |
Selectable 2.5ms, 5ms, 100ms, 500ms |
| Short circuit protection |
Built-in |
| Analog output |
- Output voltage: 1-5VDC ±2% F.S.
- Zero-point: Within 1VDC ±2% F.S.
- Span: Within 4VDC ±2% F.S.
- Linear: Within ±2% F.S.
- Resolution: Approx. 1/200
- Output impedance: 1k?
|
| Display digit |
3½digit |
| Display method |
7 segment LED Display |
| Min. display interval |
1digit(psi unit: 2 digits are fixed) |
2digits |
| Pressure unit |
kPa, kgf/cm², bar, psi, mmHg, mmH 2 O, inHg |
kPa, kgf/cm², bar, psi |
kPa, kgf/cm², bar, psi, mmHg, mmH 2 O, inHg |
| Display accuracy |
0? to 50?: Max. ±1% F.S., -10 to 0? : Max. ±2% F.S. |
| Environment |
Ambient temperature |
-10 to 50°C, storage : -20 to 60°C |
| Ambient humidity |
35 to 95%RH, storage: 35 to 95%RH |
| Vibration |
1.5mm amplitude at frequency of 10 to 55Hz(for 1 min.) in each of X, Y, Z directions for 2 hours |
| Protection |
IP40(IEC specification) |
| Material |
- PSA: Front case: PC, Rear case: PC(Insert glass), Pressure port: die-cast(Zn)
- PSB: Case, Pressure port: PA
- PSB-C: Case, Pressure port, Cover: IXEF
|
| Cable |
Cable integrated type |
ø4, 5-wire, Length : 2m
(AWG24, Core diameter: 0.08mm, Number of cores: 40, Insulation out diameter: ø1mm) |
| Connector type |
5-wire, Length : 3m(AWG24, Insulation out diameter : ø1mm) |
| Approval |
CE |
| Unit Weight |
- PSA: Approx. 120g
- PSB: Approx. 70g
- PSB-C: Approx. 80g
|
*1: ' □ ' is pressure port type.
*2: In hysteresis output mode, detection difference is variable.
*F.S.: Rated pressure.
*There may be ±1digit error in hysteresis by pressure unit calculation error.
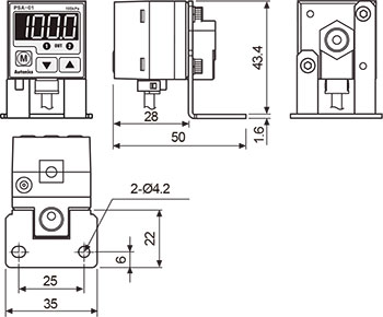
*The specification of pressure port is marked on the upper part of the case. Pressure ports are distinguished by the colors, silver [Rc(PT)1/8] or black [NPT1/8].
*Environment resistance is rated at no freezing or condensation. |