Similar Items

Autonics ARD-DI16P Digital Remote I/O, Standard Terminal Block Type, DC PNP input 16 points

0 reviews | Model: Autonics ARD-DI16P


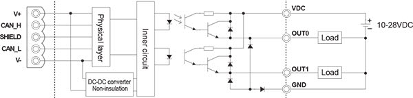
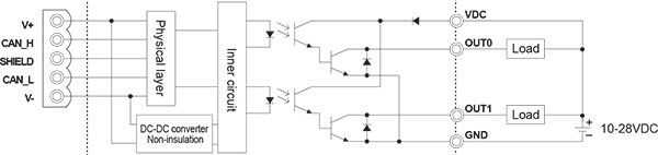
Remote I/O Device Net, DC PNP input 16 points, Control input 10 - 28VDC, 10mA / contact, Power 12 - 28VDC

  • Autonics Remote I/O
  • Network: Basic unit (DeviceNet type)
  • Digital type
  • I/O point: 16 points type
  • I/O specification: PNP open collector
  • Structure: Basic unit
  • Terminal block: Standard terminal block type
  • Automatic communication speed recognition: Enables to recognize communication speed automatically when connecting with master
  • Network Voltage monitoring: If PV is lower than SV, enables to receive error flag for network power monitoring as Explicit message.
  • Reading the number of expansion units: Reads the number of connected expansion units
  • Reading model name: Reads the connected model name of connected units (sensor connector type)
  • Reading the unit specifications: Reads the specifications of connected units
View Product Details

Your Price: $185.00

Sign-in for EDU Pricing!

In Stock:
  • Free shipping over $99 - Code: FREESHIP
  • View Payment Options
Product Expert

Have a question? Ask an expert.


Items in This Series

Autonics ARD-DI16PAutonics ARD-DI08AAutonics ARD-DI16NAutonics ARD-DO08RAutonics ARD-DO08SAutonics ARD-DO16NAutonics ARD-DO16PAutonics ARD-DX16NAutonics ARD-DX16PAutonics ARD-DX16PEAutonics ARD-AI04Autonics ARD-AO04Autonics ARD-DO08SEAutonics ARD-DI16PEAutonics ARD-DO08N-4SAutonics ARD-DO08P-4SAutonics ARD-DO08REAutonics ARD-DO16PEAutonics ARD-DX16NE
ProductAutonics ARD-DI16P Remote I/O Device Net, DC PNP input 16 points, Control input 10 - 28VDC ...Autonics ARD-DI08A Remote I/O Device Net, AC input 8 points, Control input 75 - 250VAC, 13 ...Autonics ARD-DI16N Remote I/O Device Net, DC NPN input 16 points, Control input : 10 - 28V ...Autonics ARD-DO08R Remote I/O Device Net, Relay output 8 points, Control output NO (1a) 2A ...Autonics ARD-DO08S Remote I/O Device Net, SSR output 8 points, Control output 30 - 250VAC, ...Autonics ARD-DO16N Remote I/O Device Net, DC NPN output 16 points, Control output 10 - 28V ...Autonics ARD-DO16P Remote I/O Device Net, DC PNP output 16 points, Control output 10 - 28V ...Autonics ARD-DX16N Remote I/O Device Net, DC NPN input I/O each 8 points, Control input 10 ...Autonics ARD-DX16P Remote I/O Device Net, DC PNP input I/O each 8 points, Control input 10 ...Autonics ARD-DX16PE Remote I/O Device Net, DC PNP input I/O each 8 points, Expansion modul ...Autonics ARD-AI04 Remote I/O Device Net, Analog Type, Input Type, 4 points, 12 - 28VDCAutonics ARD-AO04 Remote I/O Device Net, Analog Type, Output Type, 4 points, 12 - 28VDCAutonics ARD-DO08SE Remote I/O Device Net, Expansion module, SSR output 8 points, Control ...Autonics ARD-DI16PE Remote I/O Device Net, Expansion module, DC PNP input 16 points, Contr ...Autonics ARD-DO08N-4S Remote I/O Device Net, DC NPN output 8 points, Control output 10 - 2 ...Autonics ARD-DO08P-4S Remote I/O Device Net, DC PNP output 8 points, Control output 10 - 2 ...Autonics ARD-DO08RE Remote I/O Device Net, Expansion module, Relay output 8 points, Contro ...Autonics ARD-DO16PE Remote I/O Device Net, Expansion module, DC PNP output 16 points, Cont ...Autonics ARD-DX16NE Remote I/O Device Net, Expansion module, DC NPN input I/O each 8 point ...
Price
In Stock
Compare

Recommended for you


  • Add to cart

X