| Model *1 |
AiCA-D-60MA(-B) |
AiCA-D-60LA(-B) |
AiCA-D-86MA(-B) |
AiCA-D-86LA(-B) |
| Power Consumption |
Power supply |
200-240 VAC~ 50/60 Hz |
| STOP *2 |
Max. 60 W |
Max. 65 W |
| Max. during operation |
Max. 160 W |
Max. 220 W |
Max. 250 W |
Max. 300 W |
| Max. Run current *3 |
2.0 A/Phase |
| Auxiliary power *4 |
Power supply |
24 VDC = |
| Input current |
0.3 A |
0.5 A |
| STOP current |
20 to 100 % of max. RUN current |
| Rotation speed *5 |
0 to 3000 rpm |
| Resolution *5 |
500 (factory default), 1000, 1600, 2000, 3200, 3600, 5000, 6400, 7200, 10000 PPR |
| Speed filter |
0 (disable) (factory default), 2, 4, 6, 8, 10, 20, 40, 60, 80, 100, 120, 140, 160, 180, 200 ms |
| Motor GAIN |
0 (factory default) to 30, Fine Gain |
| Positioning range |
-2,147,483,648 to +2,147,483,647 |
| In-Position |
Fast Response: 0 (factory default) to 7, Accurate Response: 0 to 7 |
| Motor rotation direction *5 |
CW, CCW |
| Status indicator |
- Alarm/Status display part: orange LED 7seg.
- Power/Alarm indicator: green/red LED
- In-Position indicator: orange LED
- Servo On/Off indicator: blue LED
|
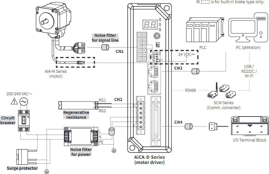
| I/O |
Input *6 |
Exclusive input: 20, general input: 9 |
| Output |
Exclusive output: 4, general output: 10 |
| External power supply |
VEX (24 VDC= Fixed): 2, GEX (GND): 2 |
| Operation mode |
Jog / Continuous / Index / Program / Position / Torque mode |
| Index step |
64 steps |
| Program function |
Step |
256 steps |
| Control command |
ABS (move absolute position), INC (move incremental position), HOM (home search), ICJ (jump input condition), IRD (waiting input), OPC (ON/OFF of output port), OPT (on pulse from output port), JMP (jump), REP (start repetition), RPE (end repetition), END (end program), POS (position set), TIM (timer), CMP (compare output), TOQ (torque control) |
| Start |
Power ON program auto-start function |
| Home start |
Power ON home search auto-start function |
| RS485 Comm. |
Comm. Speed *5 |
9600, 19200, 38400, 57600, 115200 (factory default) bps |
| Multiaxial control |
31-axis |
| ID setting switch |
16-bit rotary switch (0 to F), 1-bit DIP switch (ON/OFF) |
| Alarm |
Overcurrent, overspeed, position tracking, overload, overheat, motor connection, encoder connection, overvoltage, undervoltage, motor misalignment, command speed, in-position, memory, emergency stop, program mode, index mode,home search mode, brake |
| Warning |
±Software limit, ±hardware limit, overload |
| Input resistance |
4.7 kΩ (Anode Pull-up) |
| Insulation resistance |
Over 200 MΩ (at 500 VDC = megger) |
| Dielectric strength |
1,500 VAC~ 60 Hz for 1 min |
| Vibration |
1.5 mm amplitude at frequency of 10 to 55 Hz (for 1 min) in each X, Y, Z direction for 2 hours |
| Shock |
300 m/s2 (approx. 30 G) in each X, Y, Z direction for 3 times |
| Environment |
Ambient temp. |
0 to 50 °C, storage: -10 to 60 °C |
| Ambient humi. |
35 to 85 %RH, storage: 10 to 90 %RH |
| Protection structure |
IP20 (IEC standard) |
| Approval |
CE |
| Weight *7 |
- Standard type: Approx. 1,080 g (approx. 800 g)
- Built-in brake type: Approx. 1050 g (approx. 780 g)
|
*1: The model name indicates driver type. (none: standard type, B: built-in brake type) E.g.) AiCA-D-60MA-B: built-in brake type stepping motor driver.
*2: Based on the ambient temperature 25 °C, ambient humidity 55 %RH and STOP current 20 %.
*3: RUN current varies depending on the input RUN frequency and max. RUN current at the moment varies also.
*4: Auxiliary power is only available in built-in brake type. Corresponding specification is not available in standared type.
*5: Settable with the dedicated program (atMotion).
*6: Brake ON/OFF function can be changed in general input IN8 in case of built-in brake type only.
*7: The weight includes packaging. The weight in parenthesis is for unit only.
* Environment resistance is rated at no freezing or condensation. |