The UT35A and UT32A temperature controllers employ an easy-to-read, 14-segment large color LCD display, along with navigation keys, thus greatly increasing the monitoring and operating capabilities. A ladder sequence function is included as standard. The short depth of the controller helps save instrument panel space. The UT35A/UT32A also support open networks such as Ethernet communication.
8 Built-in Control Modes
The control mode allows easily configuring settings and making changes with parameters.
- Single-loop control
- Cascade primary-loop control
- Cascade secondary-loop control
- Cascade control
- Loop control for backup
- Loop control with PV switching
- Loop control with PV auto-selector
- Control with PV-hold function
![8 built-in Control Mode]()
8 Built-in Control Types
![8 Built-in Control Types]()
PID control
- ON/OFF control (1 point of hysteresis)
- ON/OFF control (2 points of hysteresis)
- Two-position, two-level control
- Heating/cooling control
- Sample PI control
- Batch PID control
- Feedforward control
For the correspondence between the above control mode and control types for each model, please refer to the specifications of each model.
Ladder Sequence Control
With built-in ladder sequence control, the range of applications are dramatically increased. This feature is standard in all the UTAdvanced controllers (except UM33A). The ladder sequence control function can replace a small PLC required by the application. Sequence control and PID control can be performed simultaneously.
- Monitoring and control of external machinery
E.g.: Lamps, switches, timers
- Solve digital input/output logic functionality easily.
Number of basic command types: 13
Number of application command types: 73
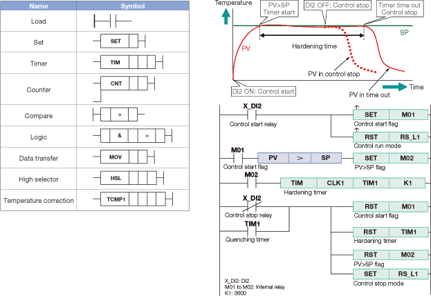
| [Example of ladder instruction] |
[Example of ladder programming] |
![Ladder Sequence Control]() |
Application Examples of Ladder Sequence Program
Alarm Sequence Control Circuits Can be Reduced
The ladder sequence program is built in the UTAdvanced as standard. The ladder sequence function enables monitoring and controlling peripheral devices such as relays, thus making it possible to reduce costs.
|
[Conventional]
Alarm action was built by a sequence control circuit (relay, timer, etc.) outside of the controller.
|
![]() |
[UTAdvanced]
Alarm action is built by the ladder sequence program inside the UTAdvanced, thus making it possible to reduce costs. |
![Alarm Sequence Control Circuits can be Reduced]()
![Example: Alarm annunciator]()
Host System Load is Reduced
|
[Conventional]
![Action]()
Various types of analog data were captured into the host system (PLC, etc.) and calculated, and the results were processed by the field controller for control via a command.
|
[UTAdvanced]
![Merit]()
The UTAdvanced with up to 4 analog inputs* enables various types of analog data to be captured directly into the controller and calculated by the ladder program, thus reducing the system-building load of the host. Action: Various types of analog data were captured into the host system (PLC, etc.) and calculated, and the results were processed by the field controller for control via a command.
* In the case of the UT55A |
![Host System Load is Reduced]()
Universal Input/Output
Select Input and Output Types via Configuration
Universal Input
Select from TC, RTD, mV/DC voltage and DC current.
(DC current input: No shunt resistor required)
The input type and range is user selectable via the front panel or by using the LL50A parameter setting software.
- ±0.1% Indication Accuracy.
- Connect up to two 2-wire transmitters simultaneously.
All instruments have a 15 V Loop Power Supply (15 V LPS) for a transmitter.
In addition, a 24 V LPS is also available simultaneously for some instruments as optional function.
![Universal Input]()
Universal Output
User selectable for relay, Voltage pulse and current outputs.
- Relay output: ON/OFF control, time-proportional PID control
- Voltage pulse output: time-proportional PID control
- Current output: continuous PID control
Heating/cooling control has two sets of universal outputs.
- Any combinations of relay, pulse and current outputs are available.
Drive a motorized control valve by using position-proportional PID.
- The position-proportional PID control function has two sets of relay outputs for direct/reverse rotation of motorized control valve.
- The slide wire input to feed back the valve position is also available.
Auto-tuning (AT) Function
The following conditions can be set in order to increase the accuracy of calculating PID constants using AT .
- Two types of algorithms to calculate PID constants are available for selection.
Normal: fast-rising PID constant
Stable: slow-rising PID constant
- High and low output limits can be set individually for control output values during AT runtime.
Fuzzy Logic
SUPER Function Suppresses Overshoot
The field proven SUPER function utilizes a built-in operator experience and fuzzy theory to deliver fine control and suppress overshoot.
![SUPER Function Suppresses Overshoot]()
SUPER2 Function Suppresses Hunting
The new SUPER2 function utilizes a built-in operator experience and modern control theory to deliver fine control and suppress hunting.
![SUPER2 Function Suppresses Hunting]()
LL50A Parameters Setting Software
Parameter Setting/Program Pattern Creating Function
Parameters that determine controller functions can easily be set: controller model type, controller mode (single-loop control, cascade control, loop control with PV switching, etc.), universal input/output functions, setup parameters and others. It also allows you to create program patterns.
![Parameter setting functions]()
Tuning Function
Used to tune a controller's PID parameters. Displays measured input value, target setpoint, and control output value as a trend graph on a personal computer screen, allowing PID parameter modification, AUTO/MAN switching, control output modification in manual operation, etc.
![Tuning function]()
Ladder Building Functions
Ladder sequence programs can be created and ladder programs can be monitored.
![Ladder Building functions]()
Network Profile Creation Function
Can be used to create an electronic device data sheet for Open Network.
Via Bus Powered USB Cable
Can be set parameters and ladder program while no power supply to controller.
![Via Bus Powered USB Cable]()
Via Ethernet Communication Connector
![Via Ethernet Communication Connector]()
Via Dedicated Adapter
Can be used while attached to the control panel.
- Applicable Termperature Controllers: UT55A, UT52A, UT35A, UT32A, UP55A, UP35A, UM33A
- Applicable OS: Windows XP/Vista
- Communication method: USB 1.1
Via RS-485 Communication Terminals
![Via RS-485 Communication Terminals]()
Bright & Easy to Read Active Color LCD Display
![Bright & Easy to Read Active Color LCD Display]()
Versatile Color LCD Display
![Versatile Color LCD Display]()
Operation Displays of the Program Controller
| SP Display |
Program Pattern Display |
Remaining Segment-time Display |
Remaining Repetition Display |
![SP Display]() |
![Program Pattern Display]()
overview |
![Remaining Segment-time Display]() |
![Remaining Repetition Display]() |
| TSP Display |
Program Pattern Display |
Segment Number Display |
|
![TSP Display]() |
![Program Pattern Display]()
Soak and ramp |
![Segment Number Display]() |
|
| Event Display |
![Event Display]() |
* The same operation displays as those of the UT are also available.
Functions of the Program Controller
Fast-forwarding of program operation
Use this function when checking the program pattern setting. Only times of segments and time events can be faster.
Program pattern-2 retransmission
The controller can serve as a program pattern generator.
![Program pattern-2 retransmission]()
Synchronized program operation
If the progress of the operation of one unit is faster, the program operation can be forcibly stopped by digital input when switching between segments. Thus, synchronized program operation can be performed.
![Synchronized program operation]()
Optimal Display
The controller menus and layout are adjusted in accordance with the level (EASY, STD, PRO) of information required by the user. If simple temperature or level control is needed, then select the easy configuration. Very sophisticated applications are no problem for the UTAdvanced. Just select the PRO setting and make use of the additional functionality shown in this mode. Advanced applications can be programmed in the PRO setting and then changed back to the easy setting to lock out functions not required by operators.
Active Color LCD Display
With Yokogawa's Active color display you can instantly tell, at a glance, the status of your process.
Alarm Status: Active color display changes from white (normal) to red (alarm).
Deviation Status: Color changes based on a PV deviation from SP.
User-defined Color: Choose between white or red display for constant Readings.
![Active Color LCD Display]()
Compact Design
The 65-mm depth of the controller reduces the constraints on installation location.
![Compact Design]()
Easy Operation Map, Navigation Guide and Navigation Keys
The navigation keys is an intuitive method to navigate the controller's configuration menus and setting its various menus. Navigation arrows even tell you what button to push next.
![Easy Operation Map, Navigation Guide and Navigation Keys]()
Programmable Function Keys
It is easy to assign frequently used functions, such as the operation mode switch, Run/Stop, program pattern selection, Remote/Local, alarm latch release, and PID parameter display. The function of an external switch can also be assigned to the front panel key in conjunction with a ladder sequence program.
Scrolling Text
![Scrolling Text]()
The UTAdvanced is equipped with a scrolling text feature that fully lists the parameter being modified. There is no guessing what parameter you are looking at. It is possible to turn off scrolling the text function.
Multiple Language Support
![Multiple language support]()
The UTAdvanced is fluent in multiple languages — English, Spanish, French, and German. The use of the UTAdvanced by local language operators is not an obstacle.
User Settable Default Values
Parameter values (SP, P, I, D, ALM1, etc.) configured by the user can be stored in the controller as the default values. Even if a parameter set value is accidentally changed, it can be restored to the original value with a simple operation.
Now Available in Two Colors (White or Black)
![UT55A/UT52A White & Black Models]()
Now you can choose a color that matches your work area: white (light gray), or black (light charcoal gray).
Parameter Setting
LL50A Parameter Setting Software (sold separately) allows for easily setting parameters.
![Parameter Setting]()
Message Function
Using the message function and turning the contact input on/off, the message registered beforehand can be displayed on PV display by interrupt.The message is registered using LL50A Parameter Setting Software.The messages are limited to 20 alphanumeric characters. A maximum of four messages can be registered.
![Message Function]()
Quick Setting Function
Minimum parameters necessary for operation can be set.
Security Function
The password function can prevent inadvertent changes to the parameter settings. If a password is set, the password is required when moving to the Setup Parameter Setting Display. When the password is verified, can be changed to the Setup Parameter Setting Display.
Communication Functions
A simple and easy network connection is provided!
A built-in function in the controller eliminates the need for a converter and makes wiring simple.
![Communication Functions]()
Modbus/TCP
Modbus TCP/IP, a protocol that allows the controller to connect to any Ethernet network and have the ability to exchange data with the computers or devices on that network.
- Allows control devices to be integrated into an application simply.
- Works with any Modbus TCP/IP compliant software.
- Support for Modbus function codes 03, 06, 08 & 16.
- Gateway function allows RS-485 Modbus devices to communicate via Ethernet.
- Reduced labor costs in wiring and setup of a communications network.
- Physical Layer: 10 BASE-T/100 BASE-TX
- Maximum number of connection: 2
![Modbus / TCP]()
Modbus/RTU
The data of UTAdvanced (slave units) can be displayed and saved on the DXAdvanced using the Modbus RTU function.
![Modbus / RTU]()
Open Network (PROFIBUS-DP, CC-Link, DeviceNet)
Embedded open networks will provide direct connection to PLC's.
- Reads data from UTAdvanced
- Writes parameter setting value to UTAdvanced
Example:
![PC-Link]()
Peer to Peer
The use of the ladder sequence program makes it possible to exchange analog data and status data between communication-capable UTAdvanced.
Example: A UTAdvanced in which an input error occurs sends a signal to another UTAdvanced to enable that UTAdvanced switch to MAN operation, thus shifting the whole system into a safe mode. In such a case, the safety mechanism can be built into the UTAdvanced and is not required in the host system.
![Peer to Peer]()
Coordinated Operation
In coordinated operation, a single UTAdvanced termperature controller is used as a master controller and multiple UTAdvanced or other UTAdvanced digital indicating controllers as slave controllers.
The slave controllers are operated in accordance with the actions of the master controller.
![Coordinated Operation]()
PC-Link
A protocol used for communicating with a general-purpose personal computer, or UTAdvanced series link module and serial communication module of FA-M3R (range-free controller).
![PC-Link]()
Dependable 3 year warranty*1
Backed by the high reliability and quality that Yokogawa has cultivated over many years.![3 year warranty]()
RoHS/WEEE compliant
UTAdvanced is environmentally safe when disposing.
Dust-proof and drip-proof front panel (NEMA4*2 /IP66)
UTAdvanced can also be used for food-processing equipment with washable control panels.
![Reliability]()
- The 3 year warranty extends 36 months after shipment from our factory.
- Hose down test only.