Similar Items

Autonics M4M-AA-5 Digital Panel Meter For Measuring Voltage

0 reviews | Model: Autonics M4M-AA-5


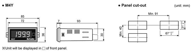
Meter, AC Ampere, LED, W72xH72mm, 3 1/2-Digit, Input/199.9A, Indicator Only, 110 and 220 VAC

  • W72xH72mm, 3 1/2-Digit, Input/1999A, Indicator Only, 110 and 220 VAC
  • Max. display: 19999 (M5W), 1999 (others)
  • 7-segment LED display
  • Case size by DIN specification
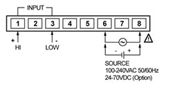
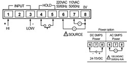
  • Linear display function by INPUT specification
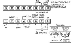
  • Indicator, single preset output type, dual preset output type
View Product Details

Your Price: $129.00

Sign-in for EDU Pricing!

In Stock:
  • Free shipping over $99 - Code: FREESHIP
  • View Payment Options
Product Expert

Have a question? Ask an expert.


Items in This Series


Recommended for you


  • Add to cart

X