Toll Free: (877) 571-7901
Local: (732) 728-2590
[email protected]
My Account
Sign in to see your member price, rewards, orders, tracking and more.
Why Join? Gain access to exclusive pricing, rewards and more!
Member Pricing & Rewards active
(877) 571-7901
Member Pricing & Rewards are active.
With a century of knowledge and product research behind them, Enerpac, best known for its hydraulic tools, can be your go-to for thousands of applications across every industry. SHOP NOW
Get up to 15% off with the FLIR Ex-Series sale! These cameras are powerful troubleshooting tools for building, electrical, and mechanical applications. With various available models, you can fit your target size, working distance, visual detail needs, and budget.SHOP NOW
Tariff-related changes may impact pricing, and current surcharges may not yet be reflected in listed prices. Learn More
Similar Items
Let us quote you our best price!
Allow us to earn your business and make this purchase easy.
0 reviews | Catalog: SD-FLEXRAY-DS4 | Model: Rigol SD-FLEXRAY-DS4
FLEXRAY BUS Serial Decode Option for the DS/MSO4000 Oscilloscope. ( Software Key will be sent via email )
List Price: $1,444.00
We accept purchase orders and all major credit cards. We also provide financing via Klarna at checkout for qualifying purchases.
Have a question or need to apply for payment terms?
Contact us.
Have a question? Ask an expert.
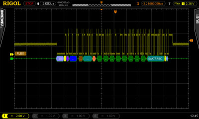
Press Decode1 → Decode and select “FlexRay” to open the FlexRay decoding function menu. 1. Source - Press Source to select any channel (CH1 to CH4) as the signal source channel. 2. Signal Path - Press Signal Path to select the signal path (A or B) that matches the FlexRay bus signal. 3. Signal Type - Press Signal Type to select the type of signal that matches the FlexRay bus. The signal types available include BP, BM and TX/RX. 4. Baud - Press Baud to set the signal rate (2.5Mb/s, 5Mb/s or 10Mb/s) that matches the FlexRay bus signal.
5. Sample Point Position - The sample point is the point within the bit’s time.The oscilloscope samples the bit level at this point. “Sample Point” is expressed by the percentage of “the time from the start of bit to the sample bit time” in “bit’s time”. Press Sample Point and use to adjust this parameter with a step of 1% and the range is from 5% to 95%.
6. Threshold - Refer to the introduction in “Parallel Decoding”. 7. Display-related Setting
8. Decoding Table The decoding table lists the decoded data, the corresponding time and error information in table format. It can be used to observe relatively longer decoded data to solve the problem that some data could not be seen clearly on the screen. Press Event Table → Event Table to select “ON” (note that this operation is only available when BusStatus is set to “ON”) to enter the decoding table interface as shown in the figure below. If an USB storage device is currently connected to the instrument, press Export to export the data table to the external USB storage device in CSV format.
9. Explanation of the Decoded FlexRay Frame Data The decoded FlexRay frame data is as shown in the figure below.
Data: displayed in the format (Hex, Decimal, Binary or ASCII) specified in Format and expressed by green patch.
End CRC: hexadecimal number and is expressed by blue-green patch. When CRC is invalid, it is expressed by red patch.
DTS: dynamic end sequence and is expressed by light purple patch.
Please select a rating star.
Please complete this field.
Email Adrress is not Valid.
Almost there, please complete all required fields
Out of 5
Average Customer Review
Share your thoughts with other customers