Toll Free: (877) 571-7901
Local: (732) 728-2590
[email protected]
My Account
Sign in to see your member price, rewards, orders, tracking and more.
Why Join? Gain access to exclusive pricing, rewards and more!
Member Pricing & Rewards active
(877) 571-7901
Member Pricing & Rewards are active.
With a century of knowledge and product research behind them, Enerpac, best known for its hydraulic tools, can be your go-to for thousands of applications across every industry. SHOP NOW
Get up to 15% off with the FLIR Ex-Series sale! These cameras are powerful troubleshooting tools for building, electrical, and mechanical applications. With various available models, you can fit your target size, working distance, visual detail needs, and budget.SHOP NOW
Similar Items
Let us quote you our best price!
Allow us to earn your business and make this purchase easy.
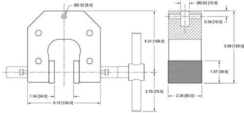
0 reviews | Model: Mark-10 G1100-OB
Parallel jaw grip, large, eye end - This open box item may be missing original packaging, missing some small accessories or a lightly used demo unit.
List Price: $690.00
We accept purchase orders and all major credit cards. We also provide financing via Klarna at checkout for qualifying purchases.
Have a question or need to apply for payment terms?
Contact us.
Have a question? Ask an expert.
This rugged grip is ideal for general tensile and pull testing applications up to 2,000 lbF (10 kN). Pyramidal jaw faces and generous clearance effectively secure a wide range of sample materials and sizes.
Please select a rating star.
Please complete this field.
Email Adrress is not Valid.
Almost there, please complete all required fields
Out of 5
Average Customer Review
Share your thoughts with other customers