Multi-Instrument Capabilities
Protocol Analysis, Serial Trigger and Decode, Waveform Generation, Built-in Function Generator, Logic Analysis, 16 Channel MSO, Digital Voltmeter
Advanced Anomaly Detection
Fast Waveform Update - up to 130,000 wfms/sec, History Mode Waveform Playback, WaveScan Search and Find
Capture, Debug, Analyze, Document
LabNotebook Documentation Tool, Sequence Mode Segmented Memory, Advanced Active Probe Interface, Powerful Math and Measure
WaveSurfer 3000 Oscilloscopes
WaveSurfer 3000 oscilloscopes feature the MAUI advanced user interface with touch screen simplicity to shorten debug time. Quickly identify and isolate anomalies with WaveScan, Fast Display, and History mode for faster troubleshooting; LabNotebook enables easy documentation and convenient collaboration. The advanced probe interface, upgradable bandwidth and multi-instrument capabilities provide maximum versatility and investment protection.
MAUI - A New Wave of Thinking
MAUI is the most advanced oscilloscope user interface. MAUI is designed for touch; all important oscilloscope controls are accessed through the intuitive touch screen. MAUI is made for simplicity; time saving shortcuts and intuitive dialogs simplify setup. MAUI is built to solve; deep set of debug and analysis tools help identify problems and find solutions quickly.
Advanced Anomaly Detection
Combining a fast waveform update rate of 130,000 waveforms/second with History mode waveform playback and WaveScan search and find, the WaveSurfer 3000 is an outstanding tool for waveform anomaly detection.
Capture, Debug, Analyze, Document
The advanced active probe interface gives tremendous flexibility for capturing all types of signals. Debug, analyze and document problems through the use of powerful math and measurement capabilities, sequence mode segmented memory, and LabNotebook.
Multi-Instrument Capabilities
Beyond traditional oscilloscope functionality the WaveSurfer 3000 has a variety of multi-instrument capabilities including waveform generation with a built-in function generator, protocol analysis with serial data trigger and decode, and logic analysis with an available 16 channel mixed signal option.
MAUI - A New Wave of Thinking
Oscilloscopes are constantly evolving to meet the rapidly changing test and measurement needs of today’s cutting edge designs. Additional complexity and capabilities are introduced with each new feature, and in some cases when capabilities of other instruments like a protocol analyzer, function generator or logic analyzer are added. With all this added capability the oscilloscope becomes complex and cumbersome to use.
The traditional user interface consisting of knobs, buttons, soft keys and nested menus is unmanageable and more buttons are typically added to access the new functionality. MAUI solves the complexity problem. MAUI eliminates the overwhelming number of buttons and knobs providing an intuitive user interface that is designed for touch, built for simplicity and made to solve without sacrificing any features or cutting edge test capabilities.
Designed for Touch
MAUI is designed for touch. All important controls for vertical, horizontal and trigger are always one touch away. Touch the waveform to position and drag a box around it to zoom in for more details. Position cursors, configure measurements and interact with tables all through simple touch operation
Built for Simplicity
MAUI is built for simplicity. Basic waveform viewing and measurement tools as well as advanced math and analysis capabilities are seamlessly integrated in a single user interface. Time saving shortcuts and intuitive dialogs simplify setup and shorten debug time.
MAUI Features
| A. Access shortcuts to analysis tools by touching the waveform. |
C. Channel, timebase and trigger descriptors provide easy access to controls without navigating menus. |
| B. Configure parameters by touching measurement results. |
D. Shortcuts to commonly used functions are displayed at the bottom of the channel, math and memory menus. |
Made to Solve
MAUI is made to solve. Measure all aspects of a waveform to identify problems. Debug with a large set of time saving tools to find the cause of problems. Solve problems fast with powerful analysis tools.
Advanced Anomaly Detection
Combining a fast waveform update rate of 130,000 waveforms/second with History mode waveform playback and WaveScan search and find, the WaveSurfer 3000 is an outstanding tool for waveform anomaly detection. A powerful set of triggering capabilities ensures that once a problem is detected it can be isolated and analyzed.
WaveScan Advanced Search
Locate unusual events in a single cap - ture or scan for an anomaly across many acquisitions over a long period of time. WaveScan provides powerful isolation capabilities that hardware triggers cannot provide. Select from more than 20 search modes to find events on any analog or digital channel. Since the scanning modes are not simply copies of the hardware triggers, the utility and capability is much higher. There is no frequency trigger in any oscilloscope, yet WaveScan allows for frequency to be quickly scanned notifying the user upon a shift in frequency. Searching can be done based on measured waveform parameters, runts and non-monotonic edges as well as digital patterns.
Built on the traditional Teledyne LeCroy strength of fast data processing, WaveScan quickly and efficiently scans millions of events looking for unusual occurrences. Search and scan results can be seen with annotations directly on the waveform or in the interactive table. Quickly zoom to an event to see more details by simply touching it in the table.
| Powerful Triggering
Good triggering is essential for effective debug and with a powerful combination basic and advanced triggers the WaveSurfer 3000 ensures that even the most challenging problems can be isolated. Basic triggering like edge and width are great for every day operation. Advanced triggers like runt or interval help isolate anomalies quickly. Qualified triggering allows for configuring a trigger across multiple channels.
With the MSO leadset connected, powerful logic triggering can be set up to catch a parallel pattern of up to 16 digital channels. Analog channels can be added to the pattern trigger to configure an analog-digital cross pattern, mixed signal trigger.
Beyond the standard oscilloscope triggering, unique serial data triggering capabilities for I 2 C, SPI, UART and RS-232 add protocol specific triggering to isolate activity on a variety of serial buses.
|
|
Fast Waveform Update
A fast update rate ensures that no waveform variations or details are missed. With an update rate of up to 130,000 waveforms per second the WaveSurfer 3000 is able to easily display random or infrequent events simplifying anomaly detection, identification and debug. Rapidly changing waveforms are easy to see and visually inspect. Changes over time can be seen with the intensity graded persistence display.
History Mode Waveform Playback
Scroll back in time using History Mode to view previous waveforms and isolate anomalies. Use cursors and measurement parameters to quickly find the source of problems. History mode is always available with a single button press, no need to enable this mode and never miss a waveform.
Capture, Debug, Analyze, Document
The advanced active probe interface gives tremendous flexibility for captur - ing all types of signals. Debug, analyze and document problems through the use of powerful math and measurement capabilities, sequence mode segmented memory, and LabNotebook.
|
|
|
|
Advanced Waveform Capture with Sequence Mode
Use Sequence mode to save waveforms into segmented memory. This is ideal for capturing fast pulses in quick succession or when captur - ing events separated by long time intervals. Combine Sequence mode with advanced triggers to isolate rare events over time. Trigger times and time between segments are provided for additional insight. |
Advanced Math Capabilities
A deep set of 20 math functions adds to the problem solving capability of WaveSurfer 3000. Math functions provide quick insight into waveforms and help point to the cause of the most challenging problems. Functions like the powerful FFT provide details of the frequency domain while averaging effectively filters noise out of the signal.
|
Superior Measurement Tools
With 24 measurement parameters, the WaveSurfer 3000 can measure and analyze every aspect of analog and digital waveforms. Statistics and histicons go beyond traditional mea - surement tools providing insight to how a waveform changes over time . Measurement data can be trended to create a visual representation of chang - ing measurements. |
LabNotebook Documentation Tool
LabNotebook is a one-button tool to save and restore waveforms, measurements and settings without navigating multiple menus. Saved waveforms can be measured and analyzed later both on the oscilloscope or offline using the WaveStudio PC Utility.
WaveStudio Offline Analysis Tool
WaveStudio is a fast and easy way to analyze acquired waveforms offline. Offline tools include x and y axis cursors for quick measurements and 21 built-in automatic measurements for more precise and accurate results. WaveStudio can also connect to the oscilloscope for direct data transfer to the PC. Data saved with LabNotebook can be shared with others using WaveStudio for easy collaboration
Multi-Instrument Capabilities
Beyond traditional oscilloscope functionality the WaveSurfer 3000 has a variety of multi-instrument capabilities including waveform generation with a built-in function generator, protocol analysis with serial data trigger and decode, and logic analysis with an available 16 channel mixed signal option.
Table Summary and Search
To further simplify the debug process all decoded data can be displayed in a table below the waveform grid. Selecting an entry in the table will display just that event. Additionally, built-in search functionality will find specific decoded values.
Supported Protocols
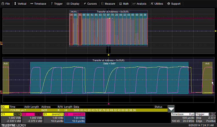
Protocol Analysis with Serial Trigger and Decode
Debugging serial data busses can be confusing and time consuming. Time saving protocol analysis capabilities are provided by the serial trigger and decode tools.
Intuitive, Color-Coded Protocol Decode Overlay
Protocol decoding is shown directly on the waveform with an intuitive, color- coded overlay and presented in binary, hex or decimal. Decoding is fast even with long memory and zooming in to the waveform shows precise byte by byte decoding.
Powerful Serial Data Triggers
The serial data trigger will quickly iso - late events on a bus eliminating the need to set manual triggers hoping to catch the right information. Trigger conditions can be entered in binary or hexadecimal formats and conditional trigger capabilities allow for triggering on a range of different events.
Extensive Triggering
lexible analog and digital cross-pattern triggering across all 20 channels provides the ability to quickly identify and isolate problems in a mixed signal environment. Event triggering can be configured to arm on an analog signal and trigger on a digital pattern or both analog and digital channels can be incorporated in to a single pattern trigger.
MuLogic Analysis with 16 Channel Mixed Signal Capability
The 16 integrated digital channels and tools designed to simultaneously view, measure, and analyze both analog and digital signals enable fast debugging of mixed signal designs.
Advanced Digital Debug Tools
Using the powerful parallel pattern search capability of WaveScan, patterns across many digital lines can be isolated and analyzed. Identified patterns are presented in a table with timestamp information and enables quick searching for each pattern occurrence. Use a variety of timing parameters to measure and analyze the characteristics of digital busses. Powerful tools like trends, statistics and histicons provide additional insight and help find anomalies in digital waveforms. Quickly see the state of all the digital lines at the same time using convenient activity indicators.
Waveform Generation with Built-in Function Generator
The built-in WaveSource function generator provides up to 25 MHz and 125 MS/s waveform generation capabilities. The function generator controls are integrated directly into the oscilloscope with a dedicated user interface. The integrated function generator is a is a convenient time saving tool allowing for quick and easy generation of sine, square, pulse, ramp, triangle, noise and DC waveforms. Familiar function generator controls are seamlessly integrated in to the WaveSurfer 3000 user interface simplifying the process of generating waveform stimulus and measuring the response with the oscilloscope.
Advanced Active Probe Interface
| |
Part Number |
WaveSurfer
3000 |
WaveSurfer
3000z |
High Voltage Fiber Optically
isolated Probes |
HVFO103 |
x |
✓ |
| Active Voltage Rail Probe |
RP4030 |
x |
✓ |
| Active Voltage Probes |
ZS1000 |
✓ |
✓ |
| ZS1500 |
x |
✓ |
| Current Probes |
CP030 / CP031 |
✓ |
✓ |
| CP030A / CP031A |
x |
✓ |
| CP150 |
✓ |
✓ |
| CP500 |
✓ |
✓ |
| DCS015, DCS025 |
✓ |
✓ |
| Differential Probes (<= 1.5 GHz) |
AP033 |
✓ |
✓ |
| ZD200, ZD1000 |
✓ |
✓ |
| ZD1500 |
x |
✓ |
| High Voltage Differential Probes |
HVD3102,HVD3106, HVD3206,HVD3605 |
✓ |
✓ |
| AP031 |
✓ |
✓ |
| ADP300, ADP305 |
✓ |
✓ |
| High Voltage Probes |
HVP120 |
✓ |
✓ |
| PPE4KV, PPE5KV, PPE6KV |
✓ |
✓ |