| General Specifications |
| Definition |
| Protocol Setup |
Select Bit rate (10 bit/s - 60 Gbit/s), Idle State (IdleLow, IdleHigh, Don’t Care), Polarity (Low = 0, Low = 1) |
| Decode Capability |
| Format |
Bits, Words |
| Basic Setup |
Bit rate, Idle State, Polarity |
| Decode Setup |
First Transition Used (0 - 400), Bit Stretch Tolerance (0 - 100 %), Sync Bits (0-1000), PrePad Bits (0 - 32), Data Bits (1 - 32), PostPad Bits (0 - 32) |
| No. of Decode Waveforms |
Up to 4 buses may be decoded at one time. In addition, zooms can be displayed (with decoded information). |
| Location |
Overlaid over waveform, on Grid |
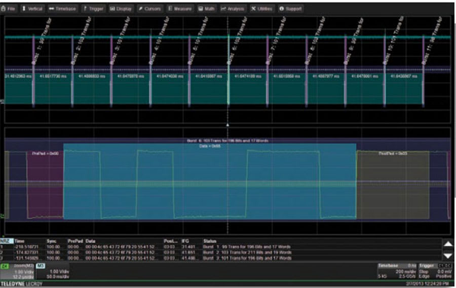
| Visual Aid |
Color Coding for Idle, timeout, Prepad, Data, PostPad. Decode information is intelligently annotated based on timebase setting. |
| Search Capability |
| Pattern Search |
Search for the following:
Time, Sync, Prepad, Data, Postpad, Interframe Gap and Status. Selection available for use of defining decimal or hexadecimal search value with Data mode = Words |
| Other |
| Supported Encoding Variants |
NRZ-L
Manchester Bi-Phase-L (also called Manchester II), IEEE 802.3, Differential bi-phase mark, Differential bi-phase space. (Single Wire) |
| Compatible With |
Fully compatible with WaveSurfer 10/MXs-B/MSO MXs-B Series, HDO4000 Series, WaveRunner Xi/Xi-A Series, WaveRunner 6 Zi Series, HDO6000 Series, HDO8000 Series, WavePro 7 Zi Series, WaveMaster 8 Zi Series, LabMaster 9 Zi-A Series, and LabMaster 10 Zi Series. Bandwidth of oscilloscope must be equal to bit rate with a minimum oscilloscope sample rate of 4x the bit rate. |