Tariff-related changes may impact pricing, and current surcharges may not yet be reflected in listed prices. Learn More

Similar Items

LeCroy WS510-FLEXRAYBUS TD Trigger FlexRay and Decode

0 reviews | Catalog: WS510-FLEXRAYBUS TD | Model: Teledyne LeCroy WS510-FLEXRAYBUS TD


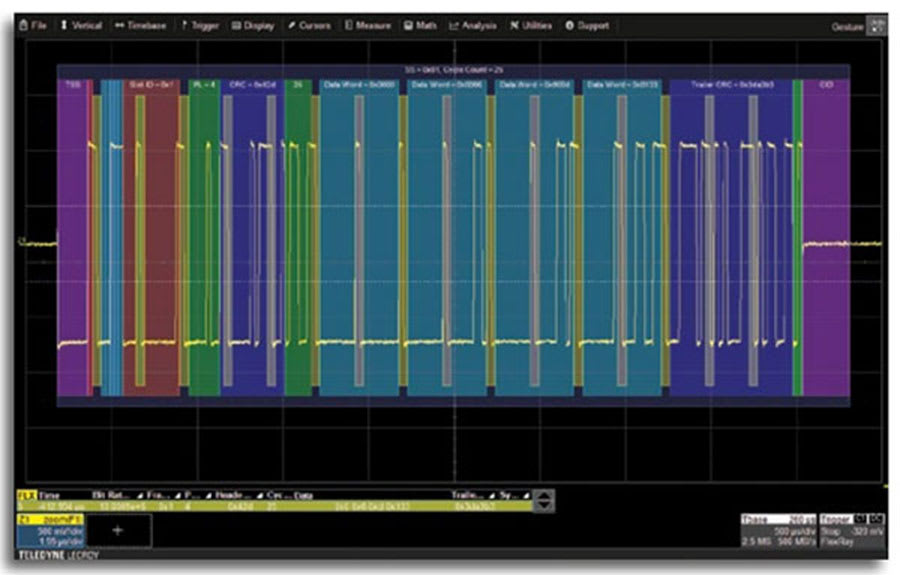
FlexRay Trigger and Decode Option for WaveSurfer 510

  • Extensive Triggering Capabilities
  • Powerful Physical Layer Test
  • Triggering on the complex FlexRay protocol is made easy
  • Conditional triggering can be set to trigger on any range of Frame IDs or Cycles
  • FlexRay defined Symbols and Errors can also be incorporated into the trigger making it as simple or advanced as necessary
  • FlexRay eye diagram mask test overlays all the bits on FlexRay signal in an eye diagram with user-selected masks
  • Trigger on a specific Frame ID or range of IDs, or filter one long acquisition specific IDs, and show only those messages in the eye diagram
View Product Details

List Price: $4,845.00

In Stock:
  • View Payment Options
Product Expert

Have a question? Ask an expert.


Recommended for you


X