Similar Items

Teledyne LeCroy HDO4K-USB4SB TD - USB4 Sideband Trigger and Decode Option for HDO4000

0 reviews | Catalog: HDO4K-USB4SB TD | Model: Teledyne LeCroy HDO4K-USB4SB TD


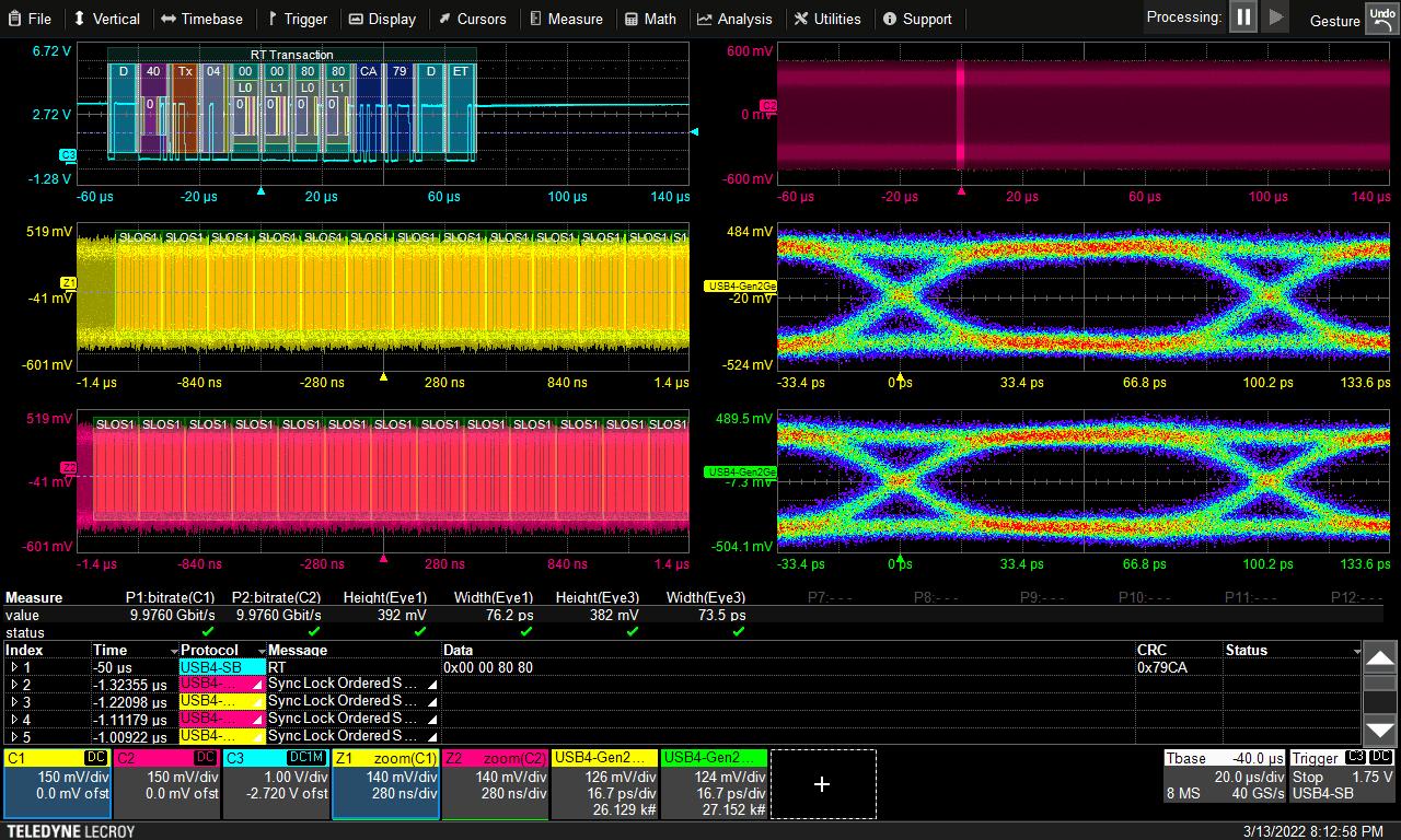
USB4-SB Trigger and Decode Option for HDO4000

  • USB4-SB Trigger and Decode option for Teledyne LeCroy HDO4000 series oscilloscopes
  • Trigger on USB4 Thunderbolt Sideband Link Management Events
  • Decode Link (LT), Admin (AT), and Re‑timer (RT) Transactions on SB-TX and SB-RX
  • Intuitive, color-coded overlays and annotation
  • Interactive protocol table with zoom and pattern search
  • Use standalone or with USB4bus DME for USB4 PHY-Logic Layer Debug
  • USB4 and Thunderbolt Sideband PHY Compliance Measurements
View Product Details

Your Price: $2,480.00

In Stock:
  • Request a Demo
  • View Payment Options
Product Expert

Have a question? Ask an expert.


Recommended for you


FLIR - E6xt
R&S - T&M Promo
  • Add to cart

X